測定顕微鏡 MFシリーズ 3軸(X・Y・Z)
商品バリエーション
主な特長
-
使いやすいスタンダードモデル
-
直感的な位置合わせを実現するマニュアルステージを搭載し、手元を確認せずに粗動操作・微動操作を切り換え可能なクイックリリース機能を搭載しています。測定準備に時間がかかりません。
-
ピント範囲が幅広いために高さ位置が再現しにくい低倍率(10×以下)でも観察倍率が変わらないよう、高さ位置による倍率誤差を低減したテレセントリック光学系を採用しています。 また、MFシリーズ用対物レンズは、JIS規格を超える自社独自規格に基づき、より正確な倍率となるように作り込まれているため、レチクルによる比較測定にも最適です。
-
1-100×までの幅広い対物レンズラインアップすべてで長作動距離を確保しています。これにより、凹凸のあるワーク測定時でもワークへの衝突を気にせず測定ができます。
-
通常、変倍時にその都度対物レンズを交換しますが、スライド式ノーズピースにより2本まで対物レンズを搭載することができます。 変倍を頻繁に行う測定では、作業効率が大幅に向上します。
仕様
符号 | MF-B1010D | MF-B2010D | MF-B2017D | MF-B3017D | MF-B4020D |
---|---|---|---|---|---|
最小表示量(µm) |
0.1,0.5,1 |
0.1,0.5,1 |
0.1,0.5,1 |
0.1,0.5,1 |
0.1,0.5,1 |
観察部 鏡筒 |
単眼装置、双眼装置,標準付属:カメラポート(観察:カメラ=50:50固定)標準付属:レチクル(鎖線十字線線幅5 µm),オプション:各種レチクル |
単眼装置、双眼装置,標準付属:カメラポート(観察:カメラ=50:50固定)標準付属:レチクル(鎖線十字線線幅5 µm),オプション:各種レチクル |
単眼装置、双眼装置,標準付属:カメラポート(観察:カメラ=50:50固定)標準付属:レチクル(鎖線十字線線幅5 µm),オプション:各種レチクル |
単眼装置、双眼装置,標準付属:カメラポート(観察:カメラ=50:50固定)標準付属:レチクル(鎖線十字線線幅5 µm),オプション:各種レチクル |
単眼装置、双眼装置,標準付属:カメラポート(観察:カメラ=50:50固定)標準付属:レチクル(鎖線十字線線幅5 µm),オプション:各種レチクル |
観察部 観察像 |
正立像 |
正立像 |
正立像 |
正立像 |
正立像 |
観察部 観察方法 |
明視野 |
明視野 |
明視野 |
明視野 |
明視野 |
対物レンズ 倍率 |
標準付属:3×(作動距離:77 mm)、オプション:1×,4×,10×,20×,50×,100×,スライド式ノーズピース(2本取付) |
標準付属:3×(作動距離:77 mm)、オプション:1×,4×,10×,20×,50×,100×,スライド式ノーズピース(2本取付) |
標準付属:3×(作動距離:77 mm)、オプション:1×,4×,10×,20×,50×,100×,スライド式ノーズピース(2本取付) |
標準付属:3×(作動距離:77 mm)、オプション:1×,4×,10×,20×,50×,100×,スライド式ノーズピース(2本取付) |
標準付属:3×(作動距離:77 mm)、オプション:1×,4×,10×,20×,50×,100×,スライド式ノーズピース(2本取付) |
接眼レンズ 倍率 |
標準付属:10×(視野数:24)、オプション:15×,20×,角度接眼10×,デジタル角度接眼10× |
標準付属:10×(視野数:24)、オプション:15×,20×,角度接眼10×,デジタル角度接眼10× |
標準付属:10×(視野数:24)、オプション:15×,20×,角度接眼10×,デジタル角度接眼10× |
標準付属:10×(視野数:24)、オプション:15×,20×,角度接眼10×,デジタル角度接眼10× |
標準付属:10×(視野数:24)、オプション:15×,20×,角度接眼10×,デジタル角度接眼10× |
ステージ 測定範囲(mm) |
100×100 |
200×100 |
200×170 |
300×170 |
400×200 |
測定顕微鏡 軸タイプ |
3軸(X・Y・Z) |
3軸(X・Y・Z) |
3軸(X・Y・Z) |
3軸(X・Y・Z) |
3軸(X・Y・Z) |
測定精度(20℃ 無負荷時)(µm) |
(2.2+0.02L)L:測定長(mm) |
(2.2+0.02L)L:測定長(mm) |
(2.2+0.02L)L:測定長(mm) |
(2.2+0.02L)L:測定長(mm) |
(2.2+0.02L)L:測定長(mm) |
観察部 附視角(°) |
25 |
25 |
25 |
25 |
25 |
ステージ 最大積載量(kg) |
10 |
10 |
20 |
20 |
15 |
ステージ 送り機構 |
手動 クイックリリース機構(ゼロセットスイッチ内蔵) |
手動 クイックリリース機構(ゼロセットスイッチ内蔵) |
手動クイックリリース機構(ゼロセットスイッチ内蔵) |
手動 クイックリリース機構(ゼロセットスイッチ内蔵) |
手動 クイックリリース機構(ゼロセットスイッチ内蔵) |
ステージ スイベル量(°) |
- |
- |
±5 |
±5 |
±3 |
Z軸 最大被検物高さ(mm) |
150 |
150 |
220 |
220 |
220 |
Z軸 送り機構 |
手動左右両ハンドル(粗動:30 mm/回転、微動:0.2 mm/回転) |
手動左右両ハンドル(粗動:30 mm/回転、微動:0.2 mm/回転) |
手動左右両ハンドル(粗動:30 mm/回転、微動:0.2 mm/回転) |
手動左右両ハンドル(粗動:30 mm/回転、微動:0.2 mm/回転) |
手動左右両ハンドル(粗動:30 mm/回転、微動:0.2 mm/回転) |
出力方式 |
RS-232C 出力,画像ユニット用USB出力 |
RS-232C 出力,画像ユニット用USB出力 |
RS-232C 出力,画像ユニット用USB出力 |
RS-232C 出力,画像ユニット用USB出力 |
RS-232C 出力,画像ユニット用USB出力 |
寸法 照明装置用コントロールユニット(mm) |
114×360×96 |
114×360×96 |
114×360×96 |
114×360×96 |
114×360×96 |
外観寸法(mm) |
562×730×667 |
624×745×667 |
642×892×782 |
692×892×782 |
756×892×782 |
質量(kg) |
70 |
75 |
150 |
160 |
165 |
最大消費電力(W) |
LED仕様:45、ハロゲン仕様:160 |
LED仕様:45、ハロゲン仕様:160 |
LED仕様:45、ハロゲン仕様:160 |
LED仕様:45、ハロゲン仕様:160 |
LED仕様:45、ハロゲン仕様:160 |
ご注意事項
電源コード(コードNo02ZAA000)は、必須オプションとなります。
照明装置は、必須選択オプションとなります。LED照明装置またはハロゲン照明装置より、お選びください。
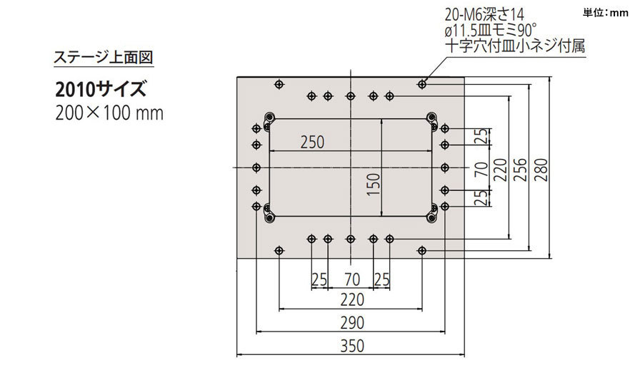
外観寸法図



アクセサリ・オプション

接眼レンズ WF20×/12
- コードNo
- 378-858

角度接眼レンズ
- コードNo
- 375-043

デジタル角度接眼レンズ 10x
- コードNo
- 176-313-10

スライド式ノーズピース
- コードNo
- 176-370-1

スライド式ノーズピース
- コードNo
- 176-370-2

LEDリング照明装置(スライド式ノーズピース用)
- コードNo
- 176-371

LEDリング照明
- コードNo
- 176-367-2

フォーカスパイロット FP-05 (緑)
FP-05
- コードNo
- 375-057-10

フォーカスパイロット FP-05 (赤)
FP-05
- コードNo
- 375-058-10

対物ミクロメータ
- コードNo
- 375-056
技術仕様
よくあるご質問
ご購入方法に関するお問合せ
ミツトヨ商品のご購入につきましては、お取引きのある商社様または最寄りの弊社営業所までお問い合わせください。なお、商社様の紹介をご希望の場合も、弊社営業所や海外拠点へご連絡ください。
商品に関するお問合せ/FAQ
商品全般に関するご案内
当社商品は製造現場での使用を前提とした、工業用商品として設計、製造、販売されています。