マイクロメータ基準棒 MB100~MB175
商品バリエーション
主な特長
-
外側マイクロメータの基点調整に使用します。
仕様
符号 | MB-100 | MB-125 | MB-150 | MB-175 |
---|---|---|---|---|
コードNo. |
167-104 |
167-105 |
167-106 |
167-107 |
標準価格(税抜) |
¥ 3100 |
¥ 3450 |
¥ 3750 |
¥ 4110 |
呼び寸法(mm) |
100 |
125 |
150 |
175 |
寸法許容差(µm) 最小 |
-3 |
-3.5 |
-4 |
-4.5 |
寸法許容差(µm) 最大 |
3 |
3.5 |
4 |
4.5 |
寸法差幅(µm) |
2.0 |
2.0 |
2.0 |
2.0 |
平面度(µm) |
0.3 |
0.3 |
0.3 |
0.3 |
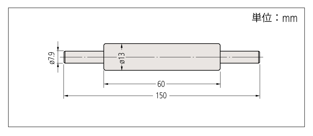
外観寸法図

各種ダウンロード
ご購入方法に関するお問合せ
ミツトヨ商品のご購入につきましては、お取引きのある商社様または最寄りの弊社営業所までお問い合わせください。なお、商社様の紹介をご希望の場合も、弊社営業所や海外拠点へご連絡ください。
商品に関するお問合せ/FAQ
商品全般に関するご案内